cable LKG-60-datasheet
+ Download
SC31 (Zweikanalig)
Beschreibung
In Verbindung mit einem zugelassenen Auswertgerät als Zweihandsteuerung verwendbar.
- Ø 50 mm Tastfläche
- Flache Bauhöhe (7 mm)
- Zertifiziert mit MCR225 und PILZ PNOZ s6
- TÜV SÜD geprüft (EN ISO 13849-1, EN ISO 13851)
Direkt im CAPTRON Shop kaufen
ANWENDUNG: STANZEN | PRESSEN UND WEITERE
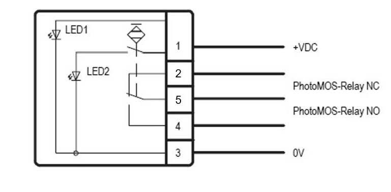
- Optische Rückmeldung
grüne LED (betriebsbereit)
gelbe LED (betätigt) - Zertifizierung
Zertifiziert mit Auswertgeräten (MCR-225 Relais, PILZ PNOZ s6) - Verwendbar mit allen üblichen Sicherheitssteuerungen und Sicherheitsrelais
- 100 % wasser- und öldicht – IP68
Sensor ist komplett vergossen - Physikalische Ausführung
M12 Anschluss 5-polig und M12 Anschluss 8-polig (6-polig belegt) - Video
+ Sicherer Maschinenbetrieb per Zweihandsteuerung
Downloads SC31 (Zweikanalig)












Service und Support
Produktbilder
Technische Zeichnungen
Anwendungsbilder
Farben
Gehäuse verkehrsschwarz (RAL 9017)
Funktionen
Funktion: Statisch (Dauersignal)
Schaltausgang: PhotoMOS-Relais Öffner, Schließer
Technische Daten
| Betriebsspannung |
24V DC (19,2...28,8 V) |
| Optisches Feedback |
LED Gelb LED Grün |
| Betriebstemperatur |
-25°C...+75°C |
| IP Schutzgrad |
Front IP68 Rückseite IP67 |
| Stromaufnahme |
Max. 20mA |
| Ausschaltverzögerung |
Max. 50 ms |
| Einschaltverzögerung |
Max. 30 ms |
| Spannnung Bemessungsisolation |
32 V |
| Anschluss |
M12 |
| Aderzahl |
5-polig 6-polig |
| Performance Level |
Ple* |
| MTTFd |
1123 Jahre |
| PFHd |
2,47 E-10 /h |
| Kategorie |
CAT 4* |
| DC |
0 (99% mit Relais) |
| TM |
20 Jahre |
| Hinweis* |
Werte werden erreicht in Verbindung mit einem entsprechend zugelassenen Sicherheitsrelais für Zweihandsteuerungen |
Passende Produkte
Kabel M12
M12 Kabel zur Sensoranbindung
- Buchse gerade oder gewinkelt
- Verschiedene Längen verfügbar
- Verschiedene Aderzahlen verfügbar
- Schraubmontage
ANWENDUNG: VERKEHR UND TRANSPORT | AUTOMATISIERUNGSTECHNIK
MCR-225
Relais für SC4 und SC3x (Zweikanalig)
- Eingänge für SCA4 + SCB4; SC3x (Zweikanalig)
- Ausgang: 2 Schließer und 1 Öffner
- Über Rückführkreis Y1 - Y2 Überwachung externer Schütze zur Kontaktvervielfältigung und -verstärkung
- Überspannungs- und kurzschlussfest
ANWENDUNG: STANZEN | PRESSEN UND WEITERE
SCP-3 Protector
Protector zur Profilmontage für SC4, SC31, SL31
- Protector aus durchsichtigem Polycarbonat
- Schutz vor umgehen der Zweihandbedienung
ANWENDUNG: STANZEN | PRESSEN
SCP-7 Protector
Protector zur Tischmontage für SC31, SL31
- Protector aus durchsichtigem Polycarbonat
- Schutz vor Umgehen der Zweihandbedienung
ANWENDUNG: STANZEN | PRESSEN
Deutsch
Englisch
Chinese
Polnisch














